Hệ thống điện xe nâng là một phần không thể thiếu trong việc vận hành và bảo trì xe nâng. Việc kiểm tra định kỳ hệ thống này giúp phát hiện sớm các vấn đề, từ đó ngăn ngừa những sự cố nghiêm trọng có thể xảy ra. Trong bài viết này, chúng ta sẽ cùng nhau tìm hiểu chi tiết về sơ đồ mạch điện và cách kiểm tra hệ thống điện xe nâng.
Giới thiệu về hệ thống điện xe nâng

Hệ thống điện xe nâng là gì?
Hệ thống mạch điện của xe nâng đóng vai trò quan trọng trong toàn bộ quá trình hoạt động của thiết bị. Chúng là một mạng lưới các mạch điện và linh kiện điện tử, tạo thành một vòng khép kín.
Hệ thống này đảm nhiệm các chức năng quan trọng như cung cấp năng lượng cho động cơ, điều khiển các hoạt động nâng hạ, di chuyển, và cung cấp thông tin cho người vận hành thông qua các đèn báo và màn hình hiển thị. Mỗi thành phần trong hệ thống điện đều đóng vai trò thiết yếu, đảm bảo xe nâng hoạt động ổn định và an toàn.
Tại sao hệ thống mạch điện lại quan trọng?
Hệ thống mạch điện chính là “bộ não” của xe nâng. Nếu không có nó, mọi hoạt động của xe sẽ bị ngừng trệ. Mạch điện hỏng hóc có thể gây ra hàng loạt vấn đề, từ việc không thể khởi động xe cho đến việc mất điều khiển trong quá trình vận hành. Việc này không chỉ ảnh hưởng đến hiệu suất làm việc mà còn có thể gây nguy hiểm cho người điều khiển cũng như những người xung quanh.
Cấu tạo và chức năng của từng hệ thống mạch điện trên xe nâng
Cấu trúc của hệ thống mạch điện xe nâng thường bao gồm nhiều thành phần khác nhau, mỗi thành phần đều mang lại một chức năng riêng biệt.
Bình ắc quy xe nâng điện
Với các mức điện áp phổ biến như 24V, 36V, 48V, 72V và dung lượng lưu trữ từ 201Ah/5hr trở lên, bình ắc quy cung cấp đủ năng lượng cho xe nâng hoạt động liên tục trong nhiều giờ. Tuổi thọ của bình ắc quy có thể lên đến 5 năm nếu được bảo quản và sử dụng đúng cách.
Board điều khiển
Board điều khiển là một bảng mạch điện tử phức tạp, có nhiệm vụ nhận tín hiệu từ các thiết bị điều khiển (như cần gạt, bàn đạp) và truyền lệnh đến các bộ phận khác của xe để thực hiện các thao tác như nâng, hạ, di chuyển.
Bộ chia điện áp
Là một mạch điện cơ bản được sử dụng để giảm điện áp một cách chính xác. Bằng cách mắc nối tiếp hai điện trở, ta có thể phân chia điện áp đầu vào thành các điện áp nhỏ hơn, phù hợp với nhu cầu sử dụng của các mạch điện khác.
Máy phát điện
Có chức năng sản xuất điện năng cung cấp cho toàn bộ hệ thống điện. Cấu tạo của máy phát điện gồm các bộ phận chính: bộ phận phát điện, tiết chế vi mạch và bộ phận chỉnh lưu, hiệu chỉnh điện áp. Nhờ có máy phát điện, các thiết bị điện trên xe như đèn, đồng hồ, máy điều hòa… mới có thể hoạt động ổn định, đảm bảo cho chuyến đi an toàn và thoải mái.
Rơ le
Là một loại công tắc điện đặc biệt, được sử dụng để điều khiển dòng điện đi đến các bộ phận khác nhau của động cơ. Khi có tín hiệu điều khiển, rơ le sẽ đóng mạch, cho phép dòng điện chạy qua và kích hoạt hoạt động của các bộ phận đó.
Bảng điều khiển
Là trung tâm thông tin của xe nâng, cung cấp đầy đủ các thông số vận hành quan trọng như tốc độ, mức nhiên liệu, nhiệt độ động cơ,… giúp người lái luôn nắm bắt tình trạng hoạt động của xe và đưa ra quyết định điều khiển chính xác.
Cảm biến
Là thành phần cốt lõi của hệ thống tự động hóa trên xe nâng, cung cấp dữ liệu đầu vào cho bộ điều khiển để thực hiện các lệnh điều khiển chính xác, góp phần nâng cao hiệu suất và độ an toàn của xe.
Các bộ phận khác
- Hệ thống đèn: Giúp người lái quan sát rõ hơn và thông báo ý định chuyển làn đường.
- Còi xe: Phát ra âm thanh để cảnh báo người đi bộ và các phương tiện khác.
- Hệ thống dây điện: Cung cấp năng lượng cho mọi thiết bị điện.
- Giắc cắm bình điện: Cổng kết nối với nguồn năng lượng.
- Cầu chì và biến trở: Bảo vệ cho hệ thống điện.
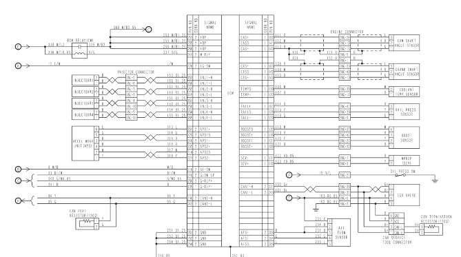
Tổng hợp chi tiết sơ đồ mạch điện xe nâng
Sơ đồ hệ thống điều khiển xe nâng

Hệ thống ECM là bộ não của động cơ xe nâng. Nhờ các cảm biến, ECM tính toán và điều chỉnh chính xác lượng nhiên liệu và thời điểm đánh lửa, giúp động cơ hoạt động mạnh mẽ, tiết kiệm nhiên liệu.
Các cảm biến gia tốc và lưu lượng không khí đóng vai trò quan trọng trong việc thu thập dữ liệu về tải trọng và lượng không khí nạp vào động cơ. Nhờ đó, ECM có thể điều chỉnh chính xác thời điểm phun nhiên liệu và góc đánh lửa, tối ưu hóa quá trình đốt cháy.
Đồng thời, các cảm biến vị trí và OPS giúp xác định vị trí của trục cam và trục khuỷu, đảm bảo quá trình phân phối khí và đánh lửa diễn ra chính xác, góp phần nâng cao hiệu suất và độ bền của động cơ.
Sơ đồ béc phun
Hệ thống phun nhiên liệu trực tiếp giúp đưa nhiên liệu vào buồng đốt một cách chính xác và hiệu quả. Các béc phun được đặt tại ống nạp, hoạt động độc lập dưới sự điều khiển của ECM. Nhờ đó, quá trình đốt cháy diễn ra hoàn toàn, giảm thiểu lượng khí thải độc hại và tăng cường hiệu suất động cơ.
Sơ đồ bướm ga
Van tiết lưu có nhiệm vụ điều chỉnh lưu lượng không khí nạp vào động cơ. Dưới sự điều khiển của ECM, van tiết lưu mở ra hoặc đóng lại để tạo ra hỗn hợp không khí và nhiên liệu phù hợp với tải trọng và tốc độ động cơ, đảm bảo quá trình đốt cháy diễn ra hoàn toàn và hiệu quả.
Sơ đồ cuộn dây đánh lửa

Cuộn dây đánh lửa là thành phần cốt lõi của hệ thống đánh lửa, có nhiệm vụ tạo ra điện áp cao để tạo tia lửa điện tại bugi. Hệ thống gồm cuộn sơ cấp và thứ cấp, cùng với transistor, giúp điều chỉnh và ổn định quá trình đánh lửa, đảm bảo động cơ hoạt động hiệu quả và tiết kiệm nhiên liệu.
Checklist kiểm tra hệ thống điện xe nâng
Một checklist kiểm tra là công cụ hữu ích giúp bạn đảm bảo rằng tất cả các bước kiểm tra đều được thực hiện đúng cách. Dưới đây là một số mục tiêu biểu mà bạn nên đưa vào trong checklist của mình.

Kiểm tra pin
- Kiểm tra mức điện áp của pin.
- Kiểm tra tình trạng bề mặt pin (có ăn mòn hay không).
- Đảm bảo rằng các kết nối pin vẫn chắc chắn và không bị lỏng.
Kiểm tra dây điện
- Kiểm tra xem có dấu hiệu bị hỏng hoặc trầy xước nào không.
- Kiểm tra rằng tất cả các kết nối đều an toàn.
- Đảm bảo không có dây điện nào chạm vào các bộ phận nóng.
Kiểm tra cảm biến và công tắc
- Xác minh rằng các cảm biến đang hoạt động bình thường.
- Kiểm tra công tắc khởi động và đảm bảo rằng nó hoạt động mượt mà.
- Đánh giá tình trạng của các công tắc an toàn.
Cách đọc sơ đồ hệ thống mạch điện xe nâng
Việc đọc sơ đồ mạch điện là một kỹ năng quan trọng đối với người làm bảo trì xe nâng. Khả năng này không chỉ giúp bạn nhanh chóng phát hiện lỗi mà còn giúp bạn hiểu rõ hơn về cách thức hoạt động của hệ thống.
Ký hiệu phổ biến trong sơ đồ
Trong sơ đồ mạch điện, các ký hiệu sẽ đại diện cho từng linh kiện và chức năng khác nhau. Nắm vững các ký hiệu này sẽ giúp bạn nhanh chóng nhận diện các thành phần trong sơ đồ.
Các ký hiệu như “R” cho điện trở, “C” cho tụ điện, và “D” cho đi-ốt là những ký hiệu cơ bản mà bạn cần biết.
Phân tích sơ đồ
Sau khi đã nắm vững các ký hiệu, bạn cần phân tích toàn bộ sơ đồ nhằm hiểu rõ cách thức hoạt động của từng thành phần. Hãy chú ý đến các đường kết nối, vì chúng có thể chỉ ra cách thức dòng điện lưu thông qua hệ thống.
Phân tích sơ đồ không chỉ giúp bạn kiểm tra mà còn giúp bạn phát hiện những điểm yếu trong thiết kế mạch điện.
Kinh nghiệm từ thực tế
Kinh nghiệm từ thực tế sẽ giúp bạn đọc và hiểu sơ đồ một cách nhanh chóng hơn. Việc ghi chép lại những sai sót mà bạn đã gặp phải trong quá trình làm việc sẽ giúp bạn rút ra bài học cho những lần sau.
Hướng dẫn kiểm tra hệ thống mạch điện xe nâng người

Việc kiểm tra hệ thống mạch điện xe nâng người cần được thực hiện một cách cẩn thận và có hệ thống. Dưới đây là hướng dẫn chi tiết cho bạn:
Chuẩn bị trước khi kiểm tra
Trước khi bắt đầu kiểm tra, hãy chắc chắn rằng bạn có đầy đủ công cụ cần thiết như đồng hồ đo điện, tua vít, và các thiết bị bảo hộ cá nhân.
Bạn cũng nên chuẩn bị một checklist để đảm bảo rằng mọi bước đều được thực hiện đúng cách.
Các bước kiểm tra hệ thống điện
- Kiểm tra pin: Bắt đầu bằng việc kiểm tra mức điện áp và tình trạng của pin.
- Kiểm tra dây dẫn: Kiểm tra xem có dấu hiệu lão hóa hay hỏng hóc nào không.
- Kiểm tra các linh kiện điện: Kiểm tra công tắc, cảm biến và động cơ để đảm bảo rằng tất cả đều hoạt động bình thường.
Sau khi kiểm tra
Sau khi hoàn tất quá trình kiểm tra, hãy ghi lại kết quả và lập kế hoạch bảo trì cho những phần cần thiết. Nếu phát hiện lỗi, hãy lên kế hoạch sửa chữa ngay để tránh những sự cố lớn hơn trong tương lai.
Các phương pháp hỗ trợ kiểm tra hệ thống điện xe nâng
Ngoài việc kiểm tra bằng tay, bạn cũng có thể sử dụng một số phương pháp hỗ trợ để nâng cao hiệu quả kiểm tra.
Sử dụng thiết bị đo điện
Thiết bị đo điện như đồng hồ vạn năng có thể giúp bạn xác định mức điện áp, dòng điện và điện trở một cách chính xác hơn.
Việc sử dụng các thiết bị này sẽ giúp bạn dễ dàng hơn trong việc phát hiện lỗi và đánh giá tình trạng của hệ thống điện.
Phần mềm hỗ trợ kiểm tra
Hiện nay, có nhiều phần mềm hỗ trợ kiểm tra hệ thống điện trên xe nâng. Những phần mềm này thường cung cấp các chức năng phân tích sâu về tình trạng xe cũng như dự đoán các sự cố có thể xảy ra trong tương lai.
Kinh nghiệm thực tế
Nhiều kỹ thuật viên sử dụng kinh nghiệm thực tế của mình để phát hiện lỗi. Họ thường dựa vào các dấu hiệu bất thường trong quá trình vận hành để kiểm tra nhanh chóng và hiệu quả.
Qua bài viết này, chúng ta đã tìm hiểu rất chi tiết về hệ thống mạch điện xe nâng, từ cấu trúc, chức năng cho đến các bước kiểm tra. Hy vọng rằng những thông tin này sẽ giúp bạn có thể thực hiện việc bảo trì và kiểm tra một cách hiệu quả, đảm bảo an toàn trong quá trình sử dụng xe nâng. Nếu còn vấn đề thắc mắc cần được giải đáp, hãy liên hệ ngay với BBC Rental qua hotline 0934 423 423.